Описание
Абсолютный угловой энкодер — многооборотный
Линейка Industrial
Номер для заказа: 100012456
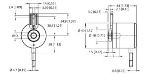
- Прижимной фланец, Ø 58 мм
- Цельный вал, Ø 6 мм × 12,5 мм
- Магнитный принцип измерения
- Материал вала: нержавеющая сталь
- Класс защиты IP65 со стороны корпуса и вала
- ‐40…+85 °C
- Макс. 4000 об/мин (непрерывная работа: 2000)
- Технология сбора энергии
- 10…30 В пост. тока
- Аналоговый выход, 4…20 мА, с возможностью масштабирования до 65 536 оборотов с концевым выключателем/по часовой стрелке
- M12 × 1, штекерный, 5-конт.



