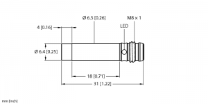
Описание
Индуктивный датчик
нечувствителен к внешним магнитным полям
Номер для заказа: 1650023
- Прямоугольный, высота 6,5 мм
- Активная сторона сбоку
- Пластмасса, PP GR20
- нечувствительность к внешним магнитным полям постоянного и переменного тока (для зон сварки)
- 3-х проводной DC, 10…30 В DC
- НО контакт, PNP выход
- Кабельное соединение



