Описание
Аксессуары
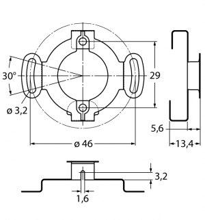
Монтажный кронштейн
для цилиндров с пазом типа ”ласточкин хвост”
Номер для заказа: 6913360
- Монтаж на цилиндр с пазом типа «ласточкин хвост»
- Оптимизирован для цилиндров Origa
- Вставляется в паз сверху
- Пластмасса: Полифенилен сульфид (PPS)



