Описание
Стеклянное оптоволокно
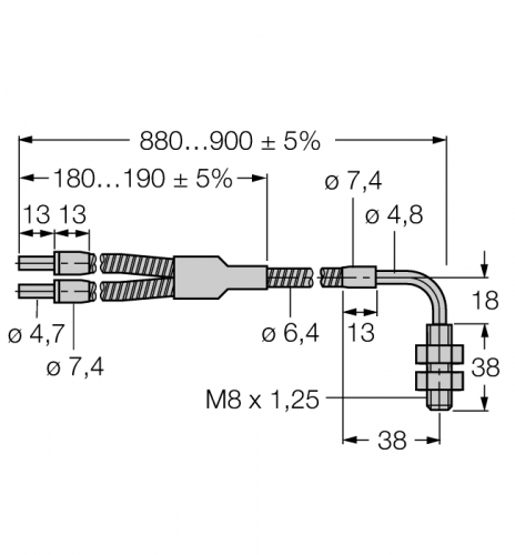
Разветвленное оптоволокно
Номер для заказа: 3023160
Альтернативный номер заказа : 23160
-
- Рабочий режим: Диффузионный / Ретрорефлективный
- Оболочка из нержавеющей стали, гибкая
- Рабочая температура для оболочки оптоволоконного соединителя: -140…+249 °C
-
- Наконечник для датчика: Нержавеющая сталь, угловой (90°), резьба M8 × 1.3
- Рабочая температура для наконечника оптоволоконного соединителя: -140…+249 °C
-
- Диаметр пучка оптоволокна: 3.2 мм



