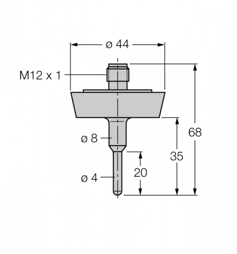
Описание
Детектирование температуры
Проба
Номер для заказа: 9910431
- Pt-100 зонд в соответствии с DIN EN 60751
- Вибро- и ударо- прочность
- Для TS, TTM, IM34, BL20, BL67
- Макс. температурный коэффициент: 120°C
- 4-проводн. схема
- Подключение к процессу DN25 в соответствии с DIN 11851



