Описание
Аксессуары
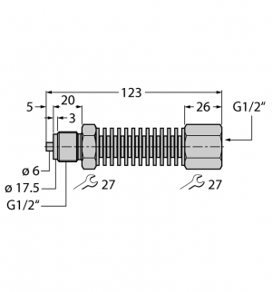
Гильза для термосопротивлений
Для датчиков температуры
Номер для заказа: 9910464
- Гильза для монтажа датчиков температуры
- Диаметр наконечника 6 мм
- Ввод с наружной резьбой 1/2″ по стандарту NPT для технологического соединения
- Глубина погружения 100 мм



