Описание
Аксессуары
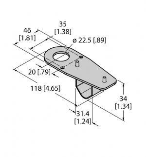
Гильза для термосопротивлений
Для датчиков температуры
Номер для заказа: 9910764
- Гильза для монтажа датчиков температуры
- диаметр наконечника 6 мм
- Ввод с наружной резьбой G1/4″ для технологического соединения
- Глубина погружения 50 мм



