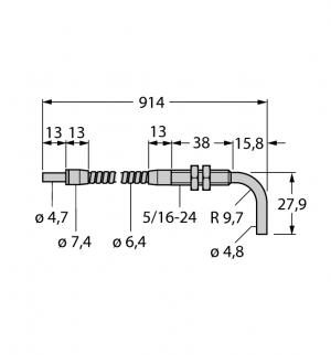
Описание
Гильза для термосопротивлений
Для датчиков температуры
Номер для заказа: 9910453
-
- Гильза для монтажа датчиков температуры
- диаметр наконечника 3 мм
- Технологическое трехзажимное соединение ¾ дюйма
- Глубина погружения 150 мм
- Для использования в пищевой и фармацевтической промышленности
- Шероховатость поверхности Ra > 0,8 мкм



