Описание
Аксессуары
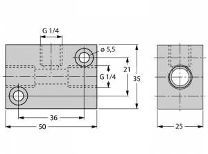
Гильза для термосопротивлений
Для датчиков температуры
Номер для заказа: 9910446
- Гильза для монтажа датчиков температуры
- диаметр наконечника 3 мм
- Ввод с наружной резьбой G1/2″ для технологического соединения
- Глубина погружения 250 мм



