Описание
Ультразвуковой датчик
диффузионный датчик
Номер для заказа: 3002706
Альтернативный номер заказа : 02706
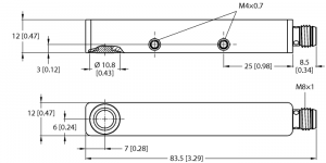
- Компактное исполнение
- Соединение через M12 x 1 разъем «папа»
- Температурная компенсация
- Очень маленькая слепая зона
- выбор диапазона измерения в режиме обучения



