Описание
Ультразвуковой датчик диффузионный датчик
Номер для заказа: 100000282
-
- Гладкая поверхность акустического преобразователя
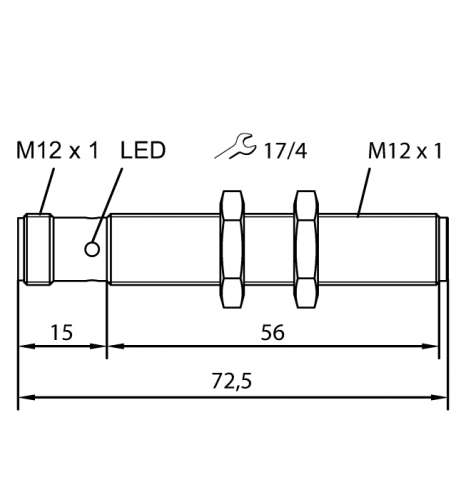
- Цилиндрический корпус M12, герметичный
- Соединение через штекерный разъем М12 × 1
- Диапазон обучения регулируется при помощи соединительного кабеля
-
- Слепая зона: 2,5 см
- Диапазон: 20 см
- Разрешение: 0,5 мм
- Угол раскрытия акустического конуса: 9°
-
- Аналоговый выход 0…10 В



