Описание
Аксессуары
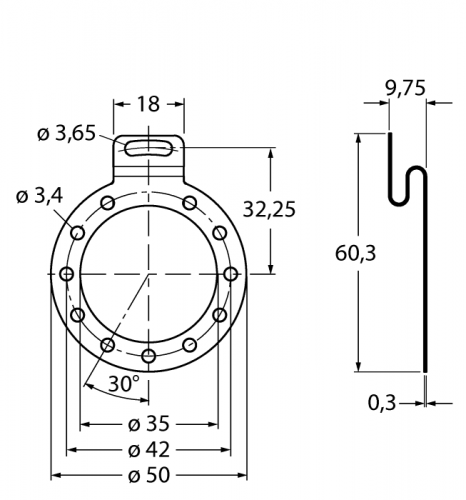
Монтажная панель
Для энкодеров с полым валом
Номер для заказа: 1544620
- Монтажная панель, гибкая
- Укороченная версия, исходный диаметр 64.5 мм
- Для низко-динамичных применений с осевой и радиальной вибрацией
- Материал: нерж. сталь



