Описание
Абсолютный угловой энкодер — многооборотный
Линейка Industrial
Номер для заказа: 100011357
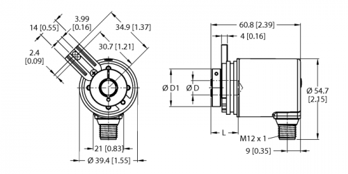
- Фланец с монтажным элементом
- Полый вал с глухим отверстием, Ø 10 мм (глубина погружения макс. 18,5 мм)
- Магнитный принцип измерения
- Материал вала: нержавеющая сталь
- Класс защиты IP67 со стороны корпуса и вала
- ‐40…+85 °C
- Макс. 4000 об/мин (непрерывная работа 2000 об/мин)
- Технология сбора энергии
- 15…30 В пост. тока
- Аналоговый выход, 0…10 В при 16 оборотах против часовой стрелки
- Разрешение 12 бит
- M12 × 1, штекерный, 5-конт.



