Описание
Абсолютный угловой энкодер — многооборотный
Линейка Industrial
Номер для заказа: 100011421
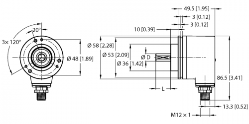
- Прижимной фланец, Ø 58 мм
- Цельный вал, Ø 6,35 мм × 22,225 мм
- Оптический принцип измерения
- Материал вала: нержавеющая сталь
- Класс защиты IP67 со стороны корпуса и вала
- ‐40…+80 °C
- Макс. 8000 об/мин (непрерывная работа 5000 об/мин)
- 10…30 В пост. тока
- CANopen
- M12 × 1, штекерный, 5-конт.
- Однооборотный, разрешение 16 бит масштабируемое (13 бит по умолчанию)
- Многооборотный, масштабируемое разрешение до 16 бит с помощью полного разрешения
- Полное масштабируемое разрешение 32 бит, по умолчанию 25 бит



