Описание
Абсолютный угловой энкодер — многооборотный
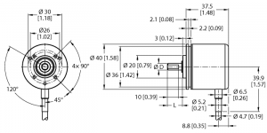
Линейка Industrial
Номер для заказа: 100011401
- Соединитель с муфтой статора, Ø 63 мм
- Полый вал, Ø 10 мм
- Оптический принцип измерения
- Материал вала: нержавеющая сталь
- Класс защиты IP67 со стороны корпуса и вала
- ‐40…+85 °C
- Макс. 4000 об/мин (непрерывная работа 2000 об/мин)
- 10…30 В пост. тока
- SSI, дискретн.
- M12 × 1, штекерный, 8-конт.
- Однооборотный, разрешение 13 бит
- Многоборотный, разрешение 12-бит



