Описание
Абсолютный угловой энкодер — многооборотный
Линейка Industrial
Номер для заказа: 100011361
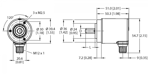
- Прижимной фланец, Ø 36 мм
- Цельный вал, Ø 10 × 20 мм
- Магнитный принцип измерения
- Материал вала: нержавеющая сталь
- Класс защиты IP67 со стороны корпуса и вала
- ‐40…+85 °C
- Макс. 4000 об/мин (непрерывная работа 2000 об/мин)
- Технология сбора энергии
- 10…30 В пост. тока
- CANopen
- M12 × 1, штекерный, 5-конт.
- Однооборотный, разрешение 16 бит масштабируемое (13 бит по умолчанию)
- Многооборотный, масштабируемое разрешение до 16 бит с помощью полного разрешения
- Полное масштабируемое разрешение 32 бит, по умолчанию 25 бит



