Описание
Инкрементальный энкодер
Линейка Efficiency
Номер для заказа: 100012020
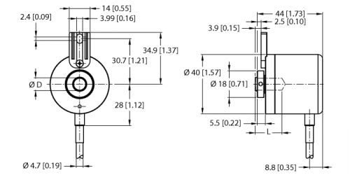
- Фланец без монтажного элемента, Ø 40 мм
- Полый вал с глухим отверстием, Ø 6,35 мм
- Оптический принцип измерения
- Материал вала: нержавеющая сталь
- Класс защиты IP64 со стороны корпуса и вала
- ‐20…+70 °C
- Макс. 4500 об/мин
- 10…30 В пост. тока
- Push-pull/HTL, с инверсией
- Макс. частота импульсов: 300 кГц
- Кабельное соединение
- 360 импульсов на оборот



