Описание
Инкрементальный энкодер
Линейка Efficiency
Номер для заказа: 100012058
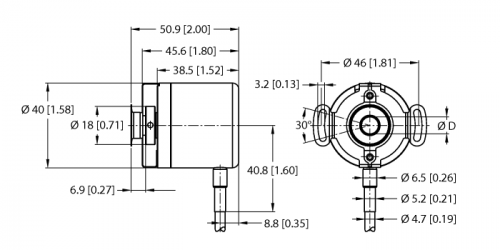
- Фланец под статор, Ø 46 мм
- Полый вал с глухим отверстием, Ø 8 мм (глубина погружения макс. 18 мм)
- Оптический принцип измерения
- Материал вала: нержавеющая сталь
- Класс защиты IP64 со стороны корпуса и вала
- ‐20…+70 °C
- Макс. 4500 об/мин
- 10…30 В пост. тока
- Push-pull/HTL, с инверсией
- Макс. частота импульсов: 300 кГц
- Кабельное соединение
- 512 импульсов на оборот



