Описание
Инкрементальный энкодер
Линейка Industrial
Номер для заказа: 100011166
-
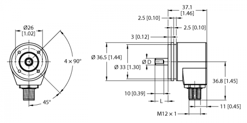
- Синхрофланец, Ø 36,5 мм
- Оптический принцип измерения
- Материал вала: нержавеющая сталь
-
- Класс защиты, вал IP50
- Класс защиты, корпус IP65
- -20…+85 °C
- Макс. 12000 об/мин
-
- 5 В пост. тока
- RS422/TTL, с инверсией
- Макс. частота импульсов 200 кГц
- M12 × 1, штекерный, 8-конт.
-
- 200 импульсов на оборот



