Описание
Пластмассовое оптоволокно
Одинарное волокно
Номер для заказа: 3087544
Альтернативный номер заказа : 87544
- Работа: оппозитный датчик
- 2 шт. в комплекте
- Полиэтиленовый рукав, гибкий
- Рабочая температура: -30…+70 °C
- Кабель, прямой
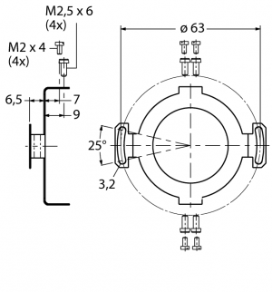
- Наконечник для датчика: Резьба
- Разгрузка натяжения
- Диаметр жилы оптоволокна 1.0 мм



