Описание
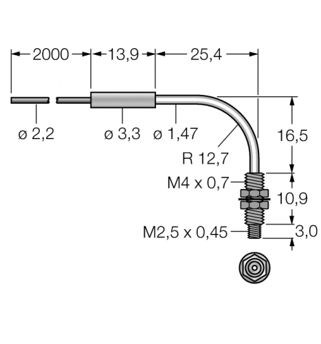
Пластмассовое оптоволокно
Одинарное волокно
Номер для заказа: 3028236
-
- Работа: оппозитный датчик
- 2 шт. в комплекте
- Полиэтиленовый рукав, гибкий
- Рабочая температура: -30…+70 °C
- Кабель, прямой
-
- Наконечник для пробы, угловой (90°) резьбовой M2,5 x 0,45
-
- Диаметр жилы оптоволокна 1.0 мм



