Описание
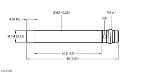
Индуктивный датчик
Номер для заказа: 1580454
- M12 × 1 резьбовой цилиндр
- Длинная версия
- Хромированная латунь
- Без редукции (factor 1) для всех металлов
- Степень защиты: IP68
- Устойчивость к воздействию магнитных полей
- Расширенный температурный диапазон
- Высокая частота переключения
- 4-проводн. DC, 10…65 В DC
- Двунаправленный контакт, выход pnp
- Разъем, M12 x 1



