Описание
Аксессуары
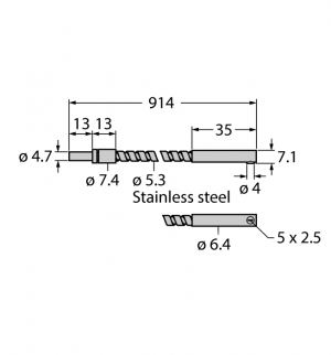
Шариковая втулка без контрольного отверстия
Для емкостных датчиков предельных уровней NCLS
Номер для заказа: 100004432
- Сварочная втулка для труб/изгибов труб и наклонного монтажа
- Втулка HPC № 1
- Подходит для датчиков предельных уровней NCLS



