Описание
Емкостный датчик уровня ограничения
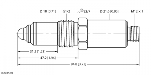
Номер для заказа: 100004248
-
- Определение уровней ограничения в контакте со средой в резервуарах и трубопроводах
- Обнаружение различных веществ (жидкостей, вязких материалов, гранулированных материалов, порошков)
- Гигиенический наконечник из PEEK, совместимость с CIP/SIP
- EHEDG (подана заявка)
- Кольцевой светодиод повышенной яркости
-
- 12…32 В пост. тока, потребление энергии < 1 Вт
- Два цифровых выхода, раздельная настройка как Н.О./Н.З.
- PNP, NPN или двухтактное переключение
- IO-Link для параметризации/значений процесса
-
- Технологическое соединение с внешней резьбой G1/2″, гигиеническое (в сочетании с переходниками TURCK)
- 4-контакный соединитель, M12 × 1



