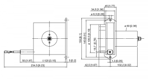
Описание
Устойчивые к давлению датчики линейного перемещения
Аналоговый
Номер для заказа: 1540284
- Для гидравлических цилиндров
- Датчик устойчив к давлению до 340 бар (постоянно), 680 бар (короткосрочно)
- Ударостойкость до 100g
- Индикация статуса: 3 светодиода
- 16-битовое разрешение
- Программируемый измерительный диапазон
- Рабочая температура стержня от -40 до +105 °C
- Рабочая температура электроники от -40 до +85 °C
- Степень защиты: IP68
- 7…30 В DC напряжение питания
- Аналоговый выход 4…20 мА
- Разъем M12 × 1



