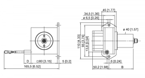
Описание
Устойчивые к давлению датчики линейного перемещения
SSI
Номер для заказа: 1540243
-
- Для гидравлических цилиндров
- Датчик устойчив к давлению до 340 бар (постоянно), 680 бар (короткосрочно)
- Ударостойкость до 100g
- Индикация статуса: 3 светодиода
-
- Разрешение 0,005 мм
- Рабочая температура стержня от -40 до +105 °C
- Рабочая температура электроники от -40 до +85 °C
- Степень защиты: IP68
-
- питание 7…30 В =
- Выход SSI, кодировка Грэя, 25 бит
- разъем M12 x 1



