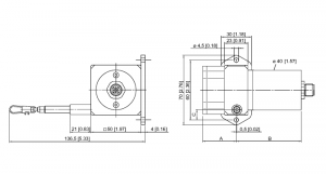
Описание
Индуктивный датчик линейного перемещения
Номер для заказа: 1590016
- Кубическая форма, алюминий / пластик
- Возможность многостороннего монтажа
- Индикация диапазона измерения при помощи светодиода
- Иммунитет к электромагнитным помехам.
- Уменьшенные слепые зоны
- Разрешение 0,001 мм
- 15…30 В =
- Вилка, М12 х 1, 8-конт.
- SSI выход
- Код Грея, 25 бит
- SSI тактовая частота: 62.5 кГц… 1 МГц

