Описание
Аксессуары
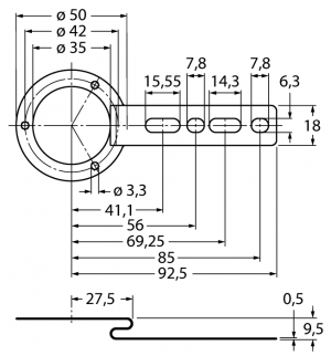
Компрессионный фитинг для датчиков температуры
Номер для заказа: 9910411
-
- Компрессионные фитинги для непосредственного монтажа температурных зондов TP
- Компрессионный фитинг ПТФЭ
-
- Для зонда с диаметром 3 мм
- Ввод с наружной резьбой G1/4 дюйма для технологического соединения



