Описание
Аксессуары
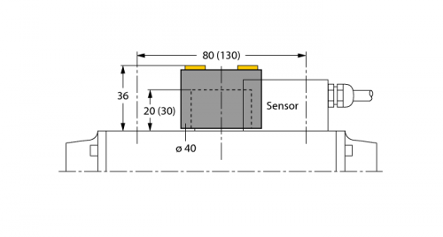
Комплект актуатора (позиционирующий элемент датчика)
Номер для заказа: 6900227
- Конечное положение недемпф.
- 1 кнопка
- Конфигурация пробивок на поверхности фланца: 30 × 80 мм (30 × 130 мм)
- Высота соединительного вала (удлинитель вала): 20 мм / Ø: макс. 30 мм
- Максимальный диаметр уплотнительного кольца: 34 мм



