Описание
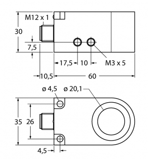
Индуктивный датчик
Номер для заказа: 1644822
- Цилиндр с резьбой, M12 x 1
- Латунь, покрытие PTFE
- Без редукции (factor 1) для всех металлов
- Степень защиты: IP68
- Устойчивость к воздействию магнитных полей
- Высочайшая дистанция срабатывания
- 3-проводн. DC, 10… 30 В DC
- нормально открытый npn выход
- разъем M12 x 1



