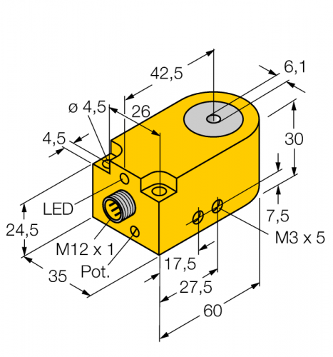
Описание
индуктивный датчик
Кольцевой датчик
Номер для заказа: 14037
- прямоугольный, высота 30 мм
- пластмасса, PA12-GF30
- Длительность импульсов 100 мс
- Регулировка чувствительности потенциометром
- 3‐проводн. DC, 10…30 В DC
- динамическая выходная характеристика
- нормально открытый npn-выход
- разъем M12 x 1



