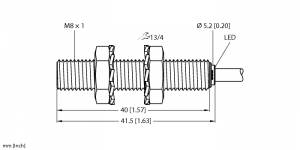
Описание
Индуктивный датчик
с увеличенной дистанцией срабатывания
Номер для заказа: 4602942
- Цилиндр с резьбой, M8 x 1
- Никелированная латунь
- Широкий диапазон детектирования
- Дистанция переключения при монтаже не заподлицо
- 3‐проводной DC, 10…30 В DC
- нормально открытый npn-выход
- разъем M8 x 1



